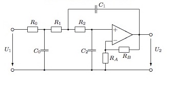
Third order Sallen-Key circuit: 
Input parameters are the three poles of the transfer function. An analysis ot the third order Sallen-Key circuit is given here (an additional page is opened).
complex poles: p1/3 = ± j
real pole: p2 =
The resistor values of the third order Sallen-Key circuit having K=2 (i.e. RA =RB) are given by:
The normalised capacitor values all have unity (i.e. value 1).